MDC、PDC煤磨防爆防靜電袋式除塵器
產品優勢
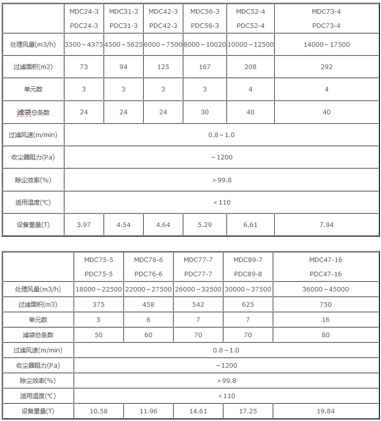
MDC防爆型袋收塵器采用防靜電濾料,機體具有防爆結構,并設有泄壓裝置,具有防爆性能,適用于煤粉制備系統以易燃、易爆粉塵的收集,該設備機械動作部件少,維修工作量小,換袋方便,由于采用脈動分室清滅,收塵效率高,能夠長期、高效運行,收塵效率在99.9%…
當前位置:網站首頁 > 產品中心
MDC防爆型袋收塵器采用防靜電濾料,機體具有防爆結構,并設有泄壓裝置,具有防爆性能,適用于煤粉制備系統以易燃、易爆粉塵的收集,該設備機械動作部件少,維修工作量小,換袋方便,由于采用脈動分室清滅,收塵效率高,能夠長期、高效運行,收塵效率在99.9%以上。PDC普通型收塵器除設有防爆性能外,具有上述同樣優點。可以廣泛地應用于水泥、電力、冶金、化工等工作廢氣的收塵。如水泥磨、生料磨、礦山破碎、物料提升、運輸等揚塵點的收塵均可使用。
技術性能:



